The electrical power system has undergone significant changes in recent decades, leading to the development of industries in distribution, transmission, and generation to create a competitive environment. Power utilities are facing challenges due to increasing power demand that exceeds the capacity of current transmission line infrastructure. The purpose of the power system operation is to make sure that electricity supplied across the entire network is dependable and economical for the end user. To meet the demand, there should be the proper coordination of several components of the power system while maintaining stability and efficiency. For electricity generation, energy sources like hydro power, fossil fuels and nuclear plants are used mostly but they are centrally controlled by utility generators.
However, the use of large central power station plants is becoming progressively less standardized because the cost is increasing, resources are declining and the process is being deregulated, with growing environmental concerns and advancements in the technology. When the power system networks grow to incorporate the enhanced demands, factors like power loss, unbalanced load, voltage drop, and stability issue may arise. Distributed generation (DG) thus provides a solution to new challenges arising in the power system through integration of small power producers such as fuel cell, storage device and the renewable sources like wind for a wind turbine or photovoltaic system for a solar power plant [1].
If compared with centralized generation, DG offers a range of advantages consisting in the decrease of power losses and emissions, the enhancement of the stability of net-works, and the absence of network congestion. But again, the location of DG units is critical, since inappropriate sizing, location of DG units may lead to higher costs and eradicating benefits. Therefore, this research recommends the use of particle swarm optimization (PSO) algorithms for identifying the optimized location of DG units in power systems because it has been observed to be effective in finding global solutions and the literature shows that PSO is a reliable means of escaping from the usual limitations associated with traditional algorithms. This strategy seeks to improve the voltages by de-creasing the power losses in an electrical system and this will be done through the PSO technique in the placement of DG units. PSO emulates the food searching process of animals with a view of minimizing energy loss and maximizing the power factor as well as voltages of electrical systems. The adoption and applications of DG unit integration and its use in already existing conventional distribution networks are becoming accept-able due to the technical and financial benefits. From Figure 1, one can see how the DG unit is connected into the current traditional radial distribution feeder.
Demonstration of DG units’ integration in an electrical system
The installation of small-sized renewable energy sources near the load centers for localized power production is referred to as DG [2]. This technique is therefore regarded as a dependable alternative source of power to conventional sources especially for the heavy loaded distribution feeders. They are commonly installed at or near the point of application making it easier to minimize distribution and transmission losses and improve the reliability of electricity supply. Renewable energy is also referred to as non-depletable sources and it comprises ocean energy, wind, solar heat, biomass, falling water and geothermal energy as defined by the International Energy Agency (IEA). Some of the advantages of DG are increased feeder hosting, reduced power losses, improved system performance, low-cost standby generation and high-power system stability. The environmental issues and increased demand of electrical power has seen most DG units incorporated with green energy sources, which if deployed can increase voltage magnitude maintain transient stability and minimize power losses.
When the percentage of DG in power networks is increased, it leads to enhancement in voltage stability. It is important to identify the right place of the bus for DG installation since it could affect the stability of the system. The DG units positioning can significantly affect either the system voltage stability or the global efficiency. The studies concerning the specific location of DGs are useful for minimizing system losses and postponing the necessity to invest in the extension of the transmission and distribution network [3], [4]. DG placement in power systems has been identified as placing DG at the most appropriate bus; this is an optimization problem that can be solved by using evolutionary algorithms [5].
DG is an advantageous option in power systems for four main reasons: it can reduce line loading and provide voltage reserve [6]; it can reduce the occurrence of an outage level of voltage for an extended period [7]; improve voltage quality [8]; it can help out in network corporations such as in the boosting of the feeder voltage, reducing the amount of loss [9]. Different techniques have been put forward in the literature to determine an optimal placement of DGs in power systems. To identify the most suitable combination of DG units for a specific power network, an optimization technique consisting of a mixed integer linear programming has been utilized [10].
In the recent past, numerous approaches and techniques have been introduced to trace the optimal position of the PV-DG systems, based on load modeling. Such methods are analytic method (AM), probabilistic methods, Monte Carlo approach, PSO approach, genetic algorithm (GA), imperialistic competitive algorithm (ICA), firefly algorithm (FA), crow search algorithm (CSA), strength pareto evolutionary algorithm (SPEA), teaching learning-based optimization (TLBO) as well as hybrid techniques [11]. The approaches that use these methodologies are multi-objective index based on AM, load injection to bus voltage matrix based on AM, butterfly-PSO algorithm and other optimization for finding the location for PV based DG systems. This evolution of these techniques is perhaps testimony to the realization that the incorporation of PV systems into existing electricity networks is not straightforward. Conventional and innovative models are employed by researchers and practitioners in efforts to improve the effectiveness and credibility of DG systems [12].
A Tabu search (TS) approach was presented by [13], to solve the problem of optimal DG placement. But TS was criticized due to its tendency to get stuck in local minima and time-taking nature. Another research by [14], introduced a multi-objective optimization technique using an enhanced version of honey-bee mating optimization (HBMO) method to improve voltage profile, decrease emissions and losses, and lower expenses in the distribution system. To decrease the costs associated with active and reactive power production, the best location for DG units was identified by using combination of GA and optimal power flow (OPF) techniques. Despite the computational intensity of GA, it can find the best solutions. Innovative optimization techniques like simulated annealing (SA) have been used by [15], to address the DG allocation problem to reduce emissions, power losses, and contingency. Methods to minimize system losses and the amount of DG to reduce overall costs were suggested by [16]. A machine learning (ML) technique by [9] and enhanced analytical (EA) technique in [17] have been demonstrated to address the issue of power loss, along with the cuckoo search (CS) approach. Only a limited number of approaches are currently utilized with renewable (DGs).
Several research works have concentrated on determining the most suitable location for DG within power networks through the application of PSO techniques. PSO algorithms have been extensively utilized in these studies for allocation of DG units in power systems. In [18], a numerical method was proposed to identify target voltage support zones by reducing the search space and improving solution accuracy. A method was introduced in [19] that considered power losses and voltage profile as variables in the objective function for optimal DG placement. A linear fragmented PSO algorithm was developed by [20], for optimal switch allocation in distribution systems. For radial distribution systems, a PSO algorithm was designed by [21] to reduce power losses through optimal DG placement. The study by [22] introduced a methodology that utilizes the ICA and GA to optimize the allocation of DG sources and capacitor banks simultaneously. In [23], the investigation for optimal DG allocation using PSO to reduce losses and improve voltage was carried out. An effort by [24], to reduce power loss, enhance voltage profile and load balancing of system using simultaneous reconfiguration and optimal placement of distribution static synchronous compensator (DSTATCOM) and PV array. A study to reduce power losses and enhance voltage profile through multiple DG placements using PSO was examined by [25]. A techno-economic and environmental approach for optimal placement of renewable DGs in distribution systems, considering dispatchable and non-dispatchable renewable energy sources was presented by [26]. To find the optimal placement for DG and controlled flow of active reactive power, an approach using dq0 mode was presented by [27]. In the above study, model domain approach was used for control designing.
Significant research effort is required to further investigate the topics, but existing literature reviews have already presented survey papers with practical applications. The field is currently at the initial phase of research and more work is needed to advance the understanding of the topics. Unlike numerous other optimization issues, the DG placement optimization problem has not been adequately assessed. Figure 2 displays the re-search published on location and sizing using the IEEE Explore Digital Library database, indicating a noticeable increase in published works.
Distribution of papers published on DG placement
The importance of the topic has been highlighted by the abundance of publications; the present study examines the installation of a single DG unit at a PQ bus through PSO algorithm. The selection of power factor (PF) as an objective function is motivated by its role in determining reactive power and transmission capacity which is a previously un-explored area [28]. The voltage profile of designated buses is incorporated into the fitness function to enhance it by adjusting and situating the DG at the optimal bus. The key innovation of this research lies in the thorough assessment of global maxima by treating each bus as potential DG unit to establish a standard for comparison. Furthermore, enhancing the power quality has a beneficial impact on the system, leading to improved performance and reduced stress on the grid by integrating DGs into the network. In this work, the phase domain control approach is used because it gives accurate results at the cost of higher complexity as compared to DQ Mode. The proposed system has been successfully implemented, resulting in improved power factor and voltage profile for all buses. The outcomes closely align with the results obtained through PSO Algorithm.
This paper is divided into four main sections. The first section consists of introduction and literature review including the overview, problem formulation and objectives of this research work. Further, readers are provided with an in-depth overview and current advancements in the topic under discussion. This encompasses definitions and impacts of DG placements. Additionally, various techniques for DG placement are also discussed. The second section is about the methodology of proposed work. It describes the selection of an IEEE bus system and its implementation in MATLAB with designing of PSO algorithm, controller, pulse width modulation (PWM) inverter and LCL filter. The results of the proposed method are shown with confirmation in subsequent section. The last section includes the conclusion, prospects, and potential research directions.
Initially, an IEEE-3 bus system is implemented in MATLAB/SIMULINK for the evaluation of buses, followed by the designing of a PSO algorithm to optimize the placement of DG, with the allocated bus evaluated for required power injection to lower grid stress and enhance system stability. Next, a PV module is selected for the proposed PV-based DG system, along with the design of a phase domain controller and PWM inverter with an LCL filter. The proposed technique is then executed in MATLAB and results are obtained. Figure 3 depicts a modified IEEE-3 bus system model implemented in MATLAB/SIMULINK for analysis purposes. The model comprises a generator at Bus-1 and distributed generations (DG-2 and DG-3) at Bus-2 and Bus-3 interconnected through breakers and buses for monitoring. The three buses are interconnected via transmission lines represented by equivalent π models with loads being connected at Bus-2 and Bus-3 and represented by parallel RL branch. Transmission line parameters like positive sequence resistances, zero sequence resistances, inductances, and capacitances are evaluated for analysis purposes. Both breakers are utilized for integrating DGs, with a switch controlled by a binary switch sequence to ensure only one DG is connected at a time for analysis while the others remain disconnected during the tuning phase.
Schematic diagram of IEEE-3 bus system with interconnected DGs at buses
The designed model includes a generator (G-1) and two DGs with a base voltage of 25 kV and assuming the system frequency of 60 Hz. The resistances and inductances of the above shown transmission lines are provided in Table 1. Two loads are connected at Bus-2 and Bus-3 respectively with different active and reactive power values, as detailed in Table 2.
Inductances and resistances of the transmission lines
Sr. |
Bus Code |
Transmission Line |
Resistance |
Inductance |
|---|---|---|---|---|
1 |
B1 to B2 |
Line 1-2 |
0.02 |
106.1e-6 |
2 |
B1 to B3 |
Line 1-3 |
0.01 |
79.58e-6 |
3 |
B2 to B3 |
Line 2-3 |
0.0125 |
66.31e-6 |
Parameters of connected loads
Sr. |
Description |
Load 2 |
Load 3 |
|---|---|---|---|
1 |
Voltages Vrms (V) |
1000 |
1000 |
2 |
Active Power P (VA) |
256.6e6 |
138.6e6 |
3 |
Reactive Power Q (VAR) |
110.2e6 |
45.2e6 |
Particle Swarm Optimization (PSO) is a method utilized to optimize the location of DG units in a power system. PSO involves particles moving through a search space and adjusting their positions based on their own (pbest) and nearby (gbest) particles' experiences to improve their movements continuously. A two-stage PSO methodology is utilized for optimizing the location of distributed generation units and determining the active and reactive power values (PDG and QDG) at the DG bus. The improved power factor, reduced power losses and enhanced voltage stability of the system are the main objectives of this optimization process. The algorithm indirectly adjusts PDG and QDG values by stochastically modifying the voltage magnitude (|VDG|) and phase (δDG) values in the DG block, which are considered as state variables. The objective is to optimize voltage and power factor across all buses in response to the deployment of a single DG unit.
Both PQ buses, i.e. Bus-2 and Bus-3, are equipped with 3-φ switches that connect the DGs as shown in Figure 3. For complete bus screening, only one switch needs to be turned ON to integrate a single DG at once. The network model in the loop undergoes a specified number of iterations (i) and swarms (N) to update the location (x) and velocity (v) of every swarm, and to calculate the fitness function (FF) outlined in (eqs. 1) and (2). W represents the inertia coefficient, c1 and c2 represents the acceleration coefficients, random numbers are represented by r1 and r2, pbest (gbest), represents individuals’ (global) optimum location with j showing the bus number. A restriction is imposed on the problem to ensure that |VDG| remains below 25 kV while tuning, which aligns with the maximum voltages of the system as specified in (eqs. 3), (4), and (5):
The proposed PSO algorithm is evaluated by conducting a thorough scan of each bus and workflow of the PSO algorithm for DG placement is shown in Figure 4. This involves storing position and FF values, including switch sequences for the final evaluation of DG configurations. Following the completion of simulations, the switch sequence is applied to connect DG at different buses with FF values and positions saved after each iteration. The switch sequence for connecting DGs at Bus-2 and Bus-3 are [1 0] and [0 1] respectively. After screening all buses, the final solution is determined based on the maximum FF value, associated bus, and particle positions (|VDG| ∠δDG). By continuously connecting DG to buses and scanning them separately, particles under PSO training gradually converge towards their target.
Workflow of PSO algorithm for DG placement
Through an iterative switch sequence, each PQ bus is selected as the DG bus in a standard PSO implementation, allowing for the exploration of all potential combinations of particle positions. This method ensures eventual convergence towards the focal point upon completion of the entire process, although it demands substantial memory, computational resources, and time. This outcome serves as a benchmark for validating convergence precision and evaluating the effectiveness of the process. The parameters utilized in the simulation setup for optimization are detailed and quantified in Table 3, where the optimization procedures are executed.
Parameters for PSO algorithm
Constant |
Description |
Value |
|---|---|---|
N |
Number of swarms |
11 |
c1, c2 |
Acceleration coefficient |
1.5 |
w |
Inertia coefficient |
0.9 |
LB1,UB1 |
Lower & upper bound for |VDG| |
20 kV, 25 kV |
LB2, UB2 |
Lower & upper bound for δDG |
˗20°, 20° |
The designed PSO algorithm successfully determined the optimal placement of a DG unit in an IEEE-3 bus system at Bus-2 with a binary sequence [1 0] for maximum output. An IEEE-3 bus system with a DG allocated at Bus-2 was utilized to obtain both powers (PDG and QDG) necessary for the system. The DG bus is evaluated during optimization along with the active and reactive powers to maximize power factor and bus voltages by connecting generators at each PQ bus through switches. The identification of the most suitable bus, such as Bus-2, led to the determination of the exact values of required powers. Following the PSO implementation for optimal DG location, the active and reactive power values (PDG and QDG) were obtained (see Figure 5), revealing that connecting DG at Bus-2 with |VDG| of 25 kV and δDG of -31° resulted in active (PDG) and reactive (QDG) power values of 3.284×1010 VA and 1.513×1010 VAR, respectively.
Results for required power values for DG-bus
The next stage is to design the PV based DG system that will be installed at the DG bus after the DG position (DG bus) has been evaluated and its parameters must be adjusted for maximum throughput. The PV module is integrated with a control stage and PWM inverter subsystem to produce the three-phase reference signal for the necessary active and reactive power values. The main concept behind creating the active and reactive power pair integrating from the PV system is to create a reference signal with specific phase and amplitude, and then operate the PWM switches accordingly. The active and reactive power values required (PDG and QDG) are considered as reference values (Pref and Qref) for the control stage. Optimization of the grid is achieved through fine-tuning of the parameters in the DG system to regulate the flow of active and reactive powers. This includes adjusting voltage magnitude and phase, while ensuring that constraints are met during the optimization process. Next, the Photovoltaic module, Pulse Width Modulation inverter, and LCL filter are placed at the designated bus and synchronized with an advanced control system to inject the targeted active and reactive powers calculated via the PSO algorithm. Main goal of the control system is to ensure effective operation and stability by implementing phase domain control, which is facilitated by a dedicated controller shown in Figure 6.
Block diagram of PV integration in IEEE-3 bus system.
The connection of PV system to a grid network is more challenging since the photovoltaic modules produce the DC output which needs to be converted into 3-φ AC. A control interface block that incorporates a control section along with the LCL filter, and PWM inverter is positioned in between IEEE-3 bus specific DG bus (Bus-2) and PV module. The presence of this interface block is important for PV systems integration into grid network and addition of the control section, LCL filter and the PWM inverter into the interface block assists in the control of flow of power and stabilizing the grid. VPV,DC is the desired DC output of the PV module (1SOLTECH-STH-215P) used in this project with 120 parallel (NP) and 900 series (NS) strings [29].
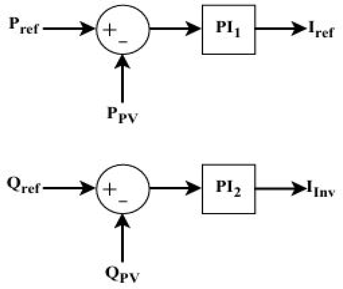
Pref and Qref mean the optimal active and reactive power output that is expected from the DG unit (PDG and QDG) and has been calculated using PSO algorithm. These values are important for the PV system located at the DG bus regarding regulating flow of active and reactive powers in the PV module, which is both DG and grid based on the values of Pref and Qref. The control of the active power (PPV) and reactive power (QPV) in the PV module is done by comparing these with the reference signals (Pref and Qref). This comparison is done by using two proportional-integral (PI) controllers for which the output is used as the input to the proportional-resonant (PR) controller as depicted in Figure 7. To its further power management, the PR controller then generates a voltage reference (Vref) for the inverter input.
Controller stage for tuning PPV and QPV
A 3-φ phase domain controller is designed to generate three-phase reference voltages Vref (a, b, c) for a three-phase PWM inverter. The phase domain approach is used for controlling the flow of powers being injected, providing more accurate results than the DQ Mode approach but with higher complexity. Figure 8 shows a phase locked loop (PLL) block, used to determine system phase (ωt) using DG bus voltage VDG, which is then used to calculate active and reactive currents (IA and IR). These current values are input to the phase domain controller, which consists of a pair of PI controllers and a single PR controller for each phase, resulting in higher design and computational costs but improved performance compared to the DQ Mode approach.
Design of phase domain controller for generation of 3-φ Vref
As discussed above the controller consists of a pair of PI controllers and a PR controller for each phase. The phase domain controller has two control loops, first the active power control loop and secondly the reactive power control loop. In the active power control loop, a simple computing block is fed by the reference active power (Pref) required to be injected in system and photovoltaic generated active power (PPV). In the process, PV produced active power (PPV) is compared to the reference active power (Pref) values to obtain a controlled required value of reference current (Iref). In reactive power control loop, a computing block is fed by the reference reactive power (Qref) and PV generated reactive power (QPV). The same process is repeated for this loop but obtained output is inverter current (IInv). Lastly, the Iref and IInv are added by using a computing block and fed to the PR controller whose output is Vref. The explained process is just for a single phase, and it must be done for all three phases to obtain a three phase reference voltages Vref (a, b, c) as shown in Figure 8. It can be seen that overall six PI controllers; PI1, PI2, PI3, PI4, PI5, PI6 to regulate Pref,a, Qref,a, Pref,b, Qref,b, Pref,c, and Qref,c, three PR controllers; PRa, PRb, PRc, are used for this phase domain approach as compared to the DQ Mode approach which uses only four PI controllers and two PR controllers due to which the computational cost and time for used approach is increased but obtained results are accurate in compete with DQ Mode. Here, the control system for the present work is completed and in the next section the output of phase domain controller is fed to the 3-φ PWM inverter and designing of PWM inverter is made accordingly.
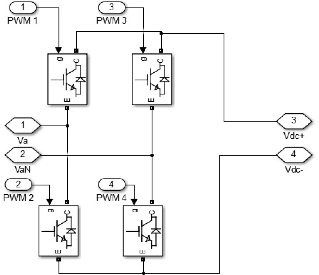
The 3-φ PV inverter is commonly structured as a closed-loop feedback control system to fulfil the static and dynamic demands of the load in the DG system. Precision in capturing the essential connection between input and output serves as the basis for examining and managing the closed-loop control system [30]. Here, the design of the three-phase PWM inverter is carried out to obtain a three-phase fundamental sinusoidal waveform output. The input to this PWM inverter is the controlled DC power generated by solar, which is the output of the phase domain controller, designed in the previous section. As shown in Figure 9, a single-phase PWM Inverter consist of four insulated gate bipolar transistor (IGBT) connected in specific pattern for switching purpose to get a sinusoidal output waveform, when dc input is provided. The four PWM signals are used here for triggering at the gate of every IGBT in an inverter design. The four switches (IGBT) are arranged in such a way that the collectors of IGBT1, 3 are connected via Vdc+ input and emitters of IGBT2, 4 are connected via Vdc- input. Next, emitters of IGBT1, 3 are connected to the collectors of IGBT2, 4 respectively. The output of single-phase inverter is taken from common point of IGBT3, 4 and IGBT1, 2 (Va, VaN). The same pattern is designed for all three phases of a 3-φ PWM inverter. The output of a designed 3-φ inverter is fed to a filter to get a smooth sinusoidal waveform. The filter designing is carried out in the next section.
Arrangement of switches for one phase of three phase PWM inverter
The initial step in the design process of the LCL filter involves establishing simulation parameters for an IEEE 3 bus system, such as fsw = 10 kHz, f = 60 Hz and Vbase = 25 kV (∀ PQ buses). DG is required to inject the specific values of Pref and Qref, these values are determined by the PSO algorithm, which represents the inverter's equivalent load, and subsequently derive the base values of resistance, inductance, and capacitance through (eqs 6), (7), (8) and (9):
The determination of DC input voltage (VPV,DC), maximum inverter current (Imax) and voltage drop across the filter (Vf) is conducted using mathematical (eqs. 10), (11) and (12). The modulation index is denoted by M = Vref/Vc. The values of Pref and Qref obtained from the PSO algorithm may be positive or negative, reflecting on power injection or withdrawal from the system. Regardless of the direction of power flow, only the positive values are used to calculate filter parameters for logical outcomes:
The ultimate calculated values of capacitance (Cf) and inductance (Lf) of filter are determined using (eqs. 13) and (14):
During the optimization phase, DGs are connected at each PQ bus using switches to evaluate DG bus and determine appropriate active and reactive power values. This evaluation aims to maximize PF and bus voltage, which is the primary objective of this research. Once the most suitable bus for connection is identified, all power DG units and related switches are removed. Instead, a PV module with controlled three-phase sinusoidal output is connected to the target bus.
The initial step in the methodology involved choosing a case for the study of the proposed method. After selecting the IEEE-3 bus system as the model for implementing the proposed technique, the results were obtained after implementing the IEEE-3 bus system in MATLAB/SIMULINK without any DG placement.
Plots of voltage profile at all three buses without DG
Plots of power factor (PF) at all three buses without DG
In Figure 10, the voltage profile of a network is depicted using bar graphs for Vbase(yellow) and VNo DG (blue). VNo DG represents the bus voltage without any distributed generation (DG) placement, while Vbase is the voltage of buses directly connected to a generator with the same voltage level across all buses. In a standard IEEE-3 bus system without DG allocation, the resultant voltage for PQ buses is lower than the respective base voltages due to power losses. Figure 11 illustrates the power factor profile of all three buses, showing PFNo DG (blue). Here, PFNo DG represents the power factor of each bus without any DG placement in the network. The value of PF at each bus in the IEEE-3 bus system is calculated by first evaluating the phase difference between the voltage and current waveform at that bus and then taking the cosine of the phase. The resultant values of voltage and power factor without any DG placement can be found in Table 4 with fitness function (FF) value of 0.7781.
Resultant values of V and PF without DG placement
Sr. |
Vbase (V) |
VNoDG (V) |
PFNoDG |
|---|---|---|---|
1 |
25×103 |
25×103 |
0.4649 |
2 |
25×103 |
2.098×103 |
0.9188 |
3 |
25×103 |
4.346×103 |
0.9507 |
When a bus (Bus-2) is selected, the parameters Pref and Qref for the DG are adjusted using PSO by randomly adjusting |VDG| and δDG to find the optimal values for the fitness function. The process is iterated for every bus connected to the DG, with DG location, position vectors of particle and values of fitness function saved for comparison at the end. Figure 12 displays the convergence plot of the fitness function, with the DG sequentially connected at PQ buses over 20 iterations until convergence is achieved. The fitness function incorporates normalized bus voltage and power factor values, each ranging from 0 to 1, enabling a maximum sum of 1 to be attained. The optimal fitness function value of 0.8393 is attained by connecting the DG to Bus-2 with a voltage magnitude |VDG| of 25 kV and a phase angle (δDG) of -31°. This configuration results in Pref and Qref values of 3.284×1010 VA and 1.513×1010 VAR, respectively. It is important to highlight that Pref and Qref values indicate the total powers that need to be transferred across the DG interface placed between the Bus-2 (DG bus) and the PV module for optimal PF and bus voltage.
Convergence plot of fitness function
The designing of interface of PV based system with grid network was carried in methodology including PWM inverter and LCL filter designing with their implementation in MATLAB/SIMULINK. The model specifies the calculated values of Pref and Qref, as well as other parameters listed in Table 5, to maintain the flow of power from the photovoltaic bus through the network by tuning the reference signal for the pulse width modulation inverter.
Values of parameters used in PV integration module
Sr. |
Parameters |
Description |
Values |
|---|---|---|---|
1 |
Pref |
Active power reference |
3.284×1010 W |
2 |
Qref |
reactive power reference |
1.513×1010 VAR |
3 |
Lf |
Filter inductance |
0.00162 mH |
4 |
Cf |
Filter capacitance |
0.0077 F |
5 |
VPV,DC |
DC output of PV |
40.83 kV |
6 |
PI1 |
Controller for Pref,a (Kp, KI) |
1x10-10, 1x10-8 |
7 |
PI2 |
Controller for Qref,a (Kp, KI) |
1x10-10, 1x10-8 |
8 |
PI3 |
Controller for Pref,b (Kp, KI) |
1x10-10, 1x10-8 |
9 |
PI4 |
Controller for Qref,b (Kp, KI) |
1x10-10, 1x10-8 |
10 |
PI5 |
Controller for Pref,c (Kp, KI) |
1x10-10, 1x10-8 |
11 |
PI6 |
Controller for Qref,c (Kp, KI) |
1x10-10, 1x10-8 |
12 |
NP |
Parallel strings of PV |
120 |
13 |
NS |
Series strings of PV |
900 |
Figure 13 and Figure 14 display the control response of active reactive powers (PPV and QPV) regulated by PV at specified Pref and Qref values. Here, red, yellow, and blue represents the three phases (a, b, c) of both the power components, which reaches the set reference values as per the control commands over a 2-second simulation period.
Controller response for PPV with Pref = 3.284×1010 VA
Controller response for QPV with Qref = 1.513×1010 VAR
It is evident that Q reaches the reference faster than P because its initial value is closer to the target, resulting in minimal changes during the control task. In contrast, P requires additional adjustments to meet the reference, demonstrating the system's robustness as both P and Q are inter-connected and changes in one quantity impact the other's response. The crucial aspect of the control loop is the optimization of |VPV,AC| and δPV at the filter output by adjusting the phase and amplitude of Vref in the inverter. The tuning of Vref by all controllers for PWM inverter operation is illustrated in Figure 15, highlighting the adjustments in amplitude and phase.
PWM reference tuning as a result of control action
In this section, the results of voltage and power factor profiles for three buses are analyzed but after placing a PV-based DG system at Bus-2 to inject required power and optimize the voltage and power factors for all three buses in the network.
Plots of voltage profile at all three buses with PV placement as DG
Plots of power factor (PF) at all three buses with PV placement as DG
Figure 16 displays the voltage profile of a network using bar graphs for Vbase (yellow) and VPVasDG (blue). VPVasDG indicates the bus voltage after PV is placed at Bus-2 as distributed generation, while Vbase represents the voltage of buses directly connected to a generator with the same voltage level. The voltage level for all PQ buses increases after PV is placed at Bus-2 as a DG, indicating improved system stability and reduced losses. Figure 17 shows the power factor profile of all three buses, with PFPVasDG representing the power factor of each bus with PV as DG at Bus-2 in the network. The resultant values of voltage and power factor with PV placement as DG can be seen in Table 6 with fitness function (FF) value of 0.8393.
Resultant values of V and PF with PV placement as DG
Sr. |
Vbase (V) |
VPVasDG (V) |
PFPVasDG |
|---|---|---|---|
1 |
25x103 |
25x103 |
0.5720 |
2 |
25x103 |
9.852x103 |
0.9994 |
3 |
25x103 |
5.716x103 |
0.9613 |
After the execution of the control program, the power factors (PF) of each of the three buses in the IEEE-3 bus network are displayed as shown in Figure 18, without distributed generation (black) and photovoltaic placement as DG (grey). Without DG, PF values are lower, particularly at Bus-1. However, on connecting DG at Bus-2 with optimized settings, power factor values increase significantly for all buses. Replacing DG at Bus-2 with PV at specified reference power values results in a simulation completion before plotting PF values at all three buses. Due to harmonic losses during the conversion from DC to AC, there are minor discrepancies in PF values but overall, the new PF values with PV integration closely align with DG placement based on PSO. Table 4 and Table 6 provide data for comparative analysis of voltage profiles and power factor at all buses.
Plot of PF profile of all three buses with no DG and PV placement as DG
Figure 19 consists of bar graphs of Vbase (blue), VNo DG (orange), and VPV as DG (grey) which displays the voltage profiles of IEEE-3 bus network. Here, bus voltages for all the buses after PV placement as DG at Bus-2 are represented by VPVasDG and bus voltage without DG placement is denoted by VNoDG. In an ideal situation, all bus voltages should align with Vbase, which is observed for the voltage-controlled bus (Bus-1) linked directly to the generator. However, due to the presence of active and reactive power losses in a standard IEEE bus network having no DG, the resultant voltages for PQ buses are below the base voltages of the system.
Plot of voltage profile of all three buses with PV placement as DG and without DG
Following the assessment of DG bus and its power values, it was observed that the bus voltages significantly rose and eventually matched Vbase. This trend continued even after the introduction of PV in place of DG. However, a slight discrepancy in voltage levels was noticed post PV integration, which was linked to harmonic losses presence in the PV output. This highlights the importance of careful consideration in the design of filters to address these issues.
This study explores ways to enhance the performance of an IEEE-3 bus system by incorporating renewable energy sources as DG at a specific bus, within the system. The main focus is on improving the power factors and bus voltages of the entire power system, which can be fine-tuned on a chosen bus to achieve performance goals. The proposed method streamlines the process of positioning particles and selecting the DG bus for efficient system operation. Once the appropriate DG bus is defined, the required values of active and reactive powers to be injected in the system are obtained.
Unlike the PSO technique that sets the DG position at one bus and iterates through each bus separately for optimization, our model achieves FF values in significantly less time demonstrating its efficiency. The maximum iterations using the proposed method are 20 for 3-Bus network. In the case where the DG is not incorporated, FF stands at 0.7781. However, after integrating DG at Bus-2 with power values of 3.284×1010 W and 1.513×1010 VAR, for Pref and Qref respectively, FF rises to 0.8393 through optimization techniques. The results show that the location of distributed generation is a critical parameter regarding improving the power losses and voltage regulation in an electrical network. With the designed LCL filter, the total harmonic distortion (THD) is found to be 1.14% 1.14% in the voltage and current waveforms which is quite smaller than 1.5 specified in the IEEE standard 519-2022.
The evaluation of the DG bus involves integrating PV with a designed PWM inverter and LCL filter to achieve consistent Pref and Qref at the DG interface, with the goal of enhancing the performance (power factor and voltage profiles) of the system. To assess the PWM reference signal, a control framework is established using the phase domain approach which provides more accurate and fine results as compared to the dq0 mode, resulting in a 3-phase AC output with specific voltage amplitude and phase. This study demonstrates that PV integration at the DG bus can be effectively optimized, similar to a generator block. This study establishes a foundation for addressing the challenges related to the controlled integration of renewable energy sources into large networks for output optimization. Furthermore, the research paves the way for grid integration of electric vehicles at optimum buses for demand response and peak shaving during the high load durations. This strategy provides cost effective solutions for grid users by utilizing the storage system of electric vehicles which are mostly parked during the peak load timing.
- ,
“Optimal placement of electric vehicle charging stations in a distribution network with randomly distributed rooftop photovoltaic systems,” ,Ieee Access , Vol. 9 , :132397-1324112021, https://doi.org/10.1109/ACCESS.2021.3112847 - ,
“Distributed generation: a definition,” ,Electr. power Syst. Res. , Vol. 57 (3), :195-2042001, https://doi.org/10.1016/S0378-7796(01)00101-8 - , , Proc. 14th Power Systems Computation Conf., 2002
- ,
“Analytical approaches for optimal placement of distributed generation sources in power systems,” ,IEEE Trans. Power Syst. , Vol. 19 (4), :2068-20762004, https://doi.org/10.1109/TPWRS.2004.836189 - , , Fourtieth IAS Annual Meeting. Conference Record of the 2005 Industry Applications Conference, 2005., 2005
- ,
“Multiple distributed generators for distribution feeder voltage support,” ,IEEE Trans. Energy Convers. , Vol. 20 (3), :676-6842005, https://doi.org/10.1109/TEC.2004.832090 - ,
“Distributed generation as voltage support for single wire earth return systems,” ,IEEE Trans. Power Deliv. , Vol. 19 (3), :1002-10112004, https://doi.org/10.1109/TPWRD.2003.822977 - ,
“Independent distributed generation planning to profit both utility and DG investors,” ,IEEE Trans. power Syst. , Vol. 28 (2), :1170-11782012, https://doi.org/10.1109/TPWRS.2012.2219325 - ,
“Multiple distributed generator placement in primary distribution networks for loss reduction,” ,IEEE Trans. Ind. Electron. , Vol. 60 (4), :1700-17082011, https://doi.org/10.1109/TIE.2011.2112316 - , , 2006 IEEE Power Engineering Society General Meeting, 2006
- ,
“A multi-objective optimal sizing and siting of distributed generation using ant lion optimization technique,” ,Ain shams Eng. J. , Vol. 9 (4), :2101-21092018, https://doi.org/10.1016/j.asej.2017.03.001 - ,
“Enhanced leader particle swarm optimisation (ELPSO): An efficient algorithm for parameter estimation of photovoltaic (PV) cells and modules,” ,Sol. Energy , Vol. 159 , :78-872018, https://doi.org/10.1016/j.solener.2017.10.063 - ,
“Optimal sizing of small isolated hybrid power systems using tabu search,” ,J. Optoelectron. Adv. Mater. , Vol. 10 (5), :12412008 - ,
“A modified honey bee mating optimization algorithm for multiobjective placement of renewable energy resources,” ,Appl. Energy , Vol. 88 (12), :4817-48302011, https://doi.org/10.1016/j.apenergy.2011.06.023 - , , ECTI-CON2010: The 2010 ECTI International Confernce on Electrical Engineering/Electronics, Computer, Telecommunications and Information Technology, 2010
- , , IEEE PES General Meeting, 2010
- ,
“Fast yet accurate energy-loss-assessment approach for analyzing/sizing PV in distribution systems using machine learning,” ,IEEE Trans. Sustain. Energy , Vol. 10 (3), :1025-10332018, https://doi.org/10.1109/TSTE.2018.2859036 - , , 2009 IEEE Power & Energy Society General Meeting, 2009
- , , 2010 IEEE International Conference on Power and Energy, 2010
- , , 2011 8th International Conference on the European Energy Market (EEM), 2011
- ,
“Optimal placement and sizing of distributed generation for power loss reduction using particle swarm optimization,” ,Energy procedia , Vol. 34 , :307-3172013, https://doi.org/10.1016/j.egypro.2013.06.759 - ,
“An efficient hybrid method for solving the optimal sitting and sizing problem of DG and shunt capacitor banks simultaneously based on imperialist competitive algorithm and genetic algorithm,” ,Int. J. Electr. Power Energy Syst. , Vol. 54 , :101-1112014, https://doi.org/10.1016/j.ijepes.2013.06.023 - , , 3rd IET International Conference on Clean Energy and Technology (CEAT) 2014, 2014
- ,
“Simultaneous reconfiguration, optimal placement of DSTATCOM, and photovoltaic array in a distribution system based on fuzzy-ACO approach,” ,IEEE Trans. Sustain. Energy , Vol. 6 (1), :210-2182014, https://doi.org/10.1109/TSTE.2014.2364230 - ,
“Multiple DG placements in distribution system for power loss reduction using PSO algorithm,” ,Procedia Technol. , Vol. 25 , :785-7922016, https://doi.org/10.1016/j.protcy.2016.08.173 - ,
“Techno-economic and environmental approach for optimal placement and sizing of renewable DGs in distribution system,” ,Energy , Vol. 127 , :52-672017, https://doi.org/10.1016/j.energy.2017.02.172 - ,
“Stochastic optimal PV placement and command based power control for voltage and power factor correction using MOPSO algorithm,” ,Ain Shams Eng. J. , 1029902024, https://doi.org/10.1016/j.asej.2024.102990 - ,
“Optimal placement, sizing and power factor of distributed generation: A comprehensive study spanning from the planning stage to the operation stage,” ,Energy , Vol. 195 , :1170112020, https://doi.org/10.1016/j.energy.2020.117011 - ,
“Optimal design of grid connected solar photovoltaic system using selective particle swarm optimization,” ,Int. J. Photoenergy , Vol. 2021 (1), :66328592021, https://doi.org/10.1155/2021/6632859 - ,
“Meta-heuristic optimization algorithms based direct current and DC link voltage controllers for three-phase grid connected photovoltaic inverter,” ,Sol. Energy , Vol. 207 , :683-6922020, https://doi.org/10.1016/j.solener.2020.06.086

