Remote microgrids have become a transformative solution for delivering reliable, sustainable, and accessible power to regions with limited or no access to centralized grid infrastructure. These decentralized systems enhance energy resilience, integrate renewable energy resources, and reduce dependence on fossil fuels. As the demand for clean and efficient energy systems grows, remote microgrids are leading the way in addressing the energy challenges faced by isolated communities. This study examines the design, development, and operation of remote microgrids, emphasizing adherence to international standards to ensure reliability, safety, and efficiency.
Remote microgrids present opportunities to address critical energy challenges through: (a) Enhanced Energy Accessibility: Providing electricity to underserved areas, fostering local development and improving the quality of life; (b) Promoting Sustainability: Harnessing renewable resources such as solar, wind, and hydropower for environmentally friendly energy; (c) Improving Resilience: Maintaining a stable energy supply during natural disasters or grid outages through islanding capabilities; (d) Facilitating Scalability and Adaptability: Enabling system designs that evolve with technological advances and changing energy needs.
These systems align with global sustainability goals, particularly the United Nations Sustainable Development Goal 7 (affordable and clean energy). However, developing remote microgrids requires overcoming several technical, regulatory, and economic challenges: (a) Renewable Resource Intermittency: Balancing the variable outputs from renewable sources with demand; (b) Economic Constraints: Minimizing costs while ensuring system affordability; (c) Regulatory and Technical Compliance: Adhering to standards for energy generation, storage, and distribution; (d) Advanced Control Systems: Ensuring stable and efficient operations through optimized algorithms and real-time data processing.
Case studies from SDEWES provide insights into overcoming these challenges. For example, Advanced Control Systems for Remote Microgrids: Challenges and Solutions explores the complexities of optimizing control algorithms to maintain stability under fluctuating generation and demand conditions. Similarly, the review Battery Energy Storage Systems for Remote Microgrids: A Review highlights the role of energy storage in enhancing system reliability, particularly in regions with intermittent renewable generation. These studies, among others, underscore the importance of integrating advanced control systems, energy storage, and intelligent technologies to create effective and resilient remote microgrids.
International standards provide a structured framework to address these challenges. For example, IEEE Std 2030.9-2019 offers best practices for planning and designing microgrids, focusing on interoperability and scalability [1]. IEC TS 62898-1:2017 addresses the technical and regulatory requirements for microgrid deployments [2]. Effective control is also ensured by standards like IEEE Std 2030.7-2017, which outlines the requirements for energy management, grid synchronization, and fault tolerance [3], and IEEE Std 2030.8-2018, which provides testing protocols for controller reliability [4]. Furthermore, the integration of Battery Energy Storage Systems (BESS) is supported by IEEE Std 2030.2.1-2019, which focuses on safety, lifecycle management, and efficiency [5].
Research demonstrates the effectiveness of hybrid systems that combine renewable energy with advanced storage technologies to enhance energy reliability in remote regions [6], [7]. Distributed energy management strategies [8] and intelligent control systems [9] optimize renewable integration, ensuring stability and cost-efficiency. Additionally, smart grid technologies play a critical role in modernizing microgrid operations. Real-time data analytics enable intelligent energy management, optimizing resource allocation and decision-making [9].
Despite these advances, challenges persist, including dynamic pricing and the need for more reliable renewable integration. Discussions in [10], [11] highlight the ongoing issues and future research directions in microgrid technologies.
This study emphasizes the importance of adhering to international standards and leveraging innovative technologies to address these challenges, paving the way for sustainable, resilient, and efficient energy systems in remote areas.
Microgrids (MGs) have emerged as a critical component in modern energy systems, enhancing energy resilience, sustainability, and efficiency. This literature review examines key studies related to MG investment, operation, optimization, and control strategies. Joint Investment and Operation of Microgrids H. Wang and J. Huang [12] discuss the interplay between investment and operation decisions in MGs. Their study highlights the economic incentives and operational constraints that influence MG development and sustainability. Coordinated Dispatch and Optimization of Microgrids M. R. Sandgani and S. Sirouspour [13] explore the optimal dispatch of energy storage in interconnected MGs. Their coordinated approach enhances energy efficiency and cost-effectiveness. Similarly, J. L. Ruiz Duarte and N. Fan [14] examine MG operations with renewable energy integration and line switching strategies, demonstrating improved operational flexibility. Multi-Objective Optimization and Control G. Aghajani and N. Yousefi [15] introduce a multi-objective optimization framework that balances economic and environmental goals in MG operations. Additionally, D. Morin et al. [16] assess the role of model predictive control in improving MG performance, particularly in renewable energy systems with hydrogen storage. Multi-Agent and Techno-Economic Approaches R. Rahmani et al. [17] propose a multi-agent-based optimization approach that minimizes operational costs in photovoltaic-based MGs. A. Chauhan and R. P. Saini [18] focus on techno-economic optimization strategies for standalone renewable energy systems in remote areas, emphasizing affordability and reliability. Hybrid Energy Systems and Cogeneration G. Prinsloo et al. [19] investigate hybrid solar combined heat and power (CHP) systems for rural villages, optimizing cogeneration and storage decisions. Their findings underscore the role of hybrid energy systems in improving rural electrification and sustainability. Standards and Architectures for Microgrids IEEE Std. 1547[20] provides essential guidelines for interconnecting distributed resources with electric power systems, ensuring MG compatibility and stability. N. Hatziargyriou [21] offers a comprehensive overview of MG architectures and control mechanisms, addressing challenges in implementation and scalability. Advanced Control and Communication Protocols W. Lu et al. [22] examine MG operation control systems based on IEC 61850, a standard that facilitates seamless communication and control among MG components. Additionally, K. Rahbar et al. [23] propose a real-time energy storage management approach that enhances renewable integration efficiency. Combined Control Strategies for Hybrid Systems T. M. Kneiske et al. [24] develop a novel control algorithm for photovoltaic-CHP hybrid systems. Their approach enhances energy management by integrating PV generation with cogeneration technologies, improving overall system efficiency.
The review underscores the importance of integrating standards, innovative energy management strategies, and smart grid technologies to address the complexities of modern microgrids while paving the way for sustainable and resilient energy systems.
This study highlights the importance of adhering to international standards and leveraging innovative technologies in the design and development of remote microgrids. By addressing technical, regulatory, and economic challenges, these systems can provide sustainable and reliable energy solutions tailored to the unique needs of remote communities. The integration of renewable resources, advanced control systems, and smart grid technologies underscores the transformative potential of remote microgrids in achieving global energy resilience and sustainability goals.
The system's structure follows established standards to ensure reliability and interoperability in remote microgrid operations. According to IEEE Std 2030.9-2019 [1], the system architecture outlines key components and control strategies for effective microgrid management, while a more detailed system framework is described in IEEE Std 2030.9-2019 [1], [20]. Additionally, the IEC TS 62898-1:2017 [2] provides guidelines for the design and operation of microgrids, emphasizing resilience and power quality. Furthermore, IEEE Std 2030.7-2017 [3] defines control functions and hierarchical structures necessary for maintaining stable and efficient microgrid performance under various operating conditions.
After establishing the planning goals and defining the system configuration, the next phase involves finalizing the electrical and automation system designs. The electrical design process includes selecting suitable voltage levels, identifying the point of common coupling (PCC), designing the grid structure, setting up earthing systems, and performing analyses and calculations for equipment selection. The automation design focuses on aspects such as protection mechanisms, monitoring systems, communication, measurement processes, energy management, and power quality. Multiple design schemes are created for comparison and assessment before choosing the most suitable microgrid configuration.
For this remote microgrid analysis, the primary planning objectives emphasize power reliability, enhanced utilization of renewable energy, and minimized diesel usage. The system is designed to supply one low-voltage (LV) load via a secondary substation and one medium-voltage (MV) load. This setup employs a two-feeder system with a normally open switch at the remote end. Commands from the microgrid controller are sent to each asset, which transmits essential measurements to the control room. Protection for the microgrid is provided through feeder breakers and additional breakers installed at each asset connection, as shown in Figure 1a.
The system's structure as outlined in IEEE Std 2030.9-2019 [1] (a); and the system architecture described in IEEE Std 2030.9-2019 [1], [20] (b)
Key economic performance indicators, such as life cycle cost, net revenue, payback period, and internal rate of return, are utilized to assess the remote microgrid's performance. These indicators are optimized by reducing diesel usage, increasing renewable energy consumption, and fine-tuning the operation of the BESS, as depicted in Figure 1b.
The fundamental steps for designing the microgrid include the following: (a) Conducting a preliminary study that defines the objectives, generation capacity, and load forecasts. This phase examines both maximum and minimum load scenarios to determine the optimal operation of the diesel generator in coordination with the BESS. (b) Designing the microgrid and determining its system configuration. This case integrates two outgoing medium-voltage (MV) feeders to connect the remote photovoltaic (PV) system, MV load, and low-voltage (LV) load via a secondary substation (SS). (c) Ensuring technical compliance for resources, the network, control systems, and protection mechanisms. This involves monitoring steady-state and dynamic limits, total harmonic distortion (THD), and the settling time across various control functions. (d) Evaluating performance by measuring the reduction in diesel generator usage to assess economic benefits and ensuring uninterrupted load supply to confirm system reliability. Structural and scalability analyses are beyond the scope of this workflow in Figure 2.
The structure of the system in the IEC TS 62898-1:2017 [2]
Dispatch is a critical function in a remote microgrid, enabling key operations such as: (a) Maintaining a balance between generation and load, (b) Managing controllable resources, and (c) Responding to external commands and events.
The dispatch process encompasses control over dispatch operations, breakers, switches, and voltage regulation. In this setup, operators in the control room manage dispatch functions and operate breakers, while voltage regulation is handled through the diesel generator and BESS. If needed, additional measures such as capacitor switching or tap-changing transformers can be employed. Key performance metrics for dispatch include achieving the dispatch objective, ensuring proper device status, and minimizing voltage deviations.
The dispatch functions of the microgrid controller must satisfy accuracy and settling time requirements. This case assesses the BESS dispatch by modifying controller parameters and evaluating its response accuracy and settling time. The BESS setpoints are maintained by monitoring real power, reactive power, voltage, and frequency (P, Q, V, f). Performance is assessed through steady-state error and transient behaviour, with power quality measured by voltage harmonic distortion, current harmonic distortion, and voltage sag. These evaluations are conducted in the control room as part of the workflow, with further details provided in the modelling sections.
According to IEEE Std 2030.7-2017 [3], a remote microgrid generally includes a diesel generator running at base load, renewable energy sources, distributed or centralized storage systems, and controllable loads. This workflow demonstrates centralized storage at the substation and showcases the coordination between the diesel generator and the BESS in Figure 3.
The structure of the system in the IEEE Std 2030.7-2017 [3]
The microgrid and its controller are designed in compliance with the IEEE Std 2030.8-2018 [4] standard. As a remote microgrid, it functions independently of a main grid connection, with the diesel generator and BESS incorporated at the substation. By appropriately opening or closing disconnectors, the low-voltage (LV) network can be supplied from the alternate medium-voltage (MV) feeder where the MV load is connected.
Data monitoring in this setup adheres to the IEEE Std 2030.8-2018 guidelines, including: (a) Recording the sequence of events for switching device statuses, commands, and control outputs using digital data, with a minimum sampling rate of ¼ of a power system cycle. (b) Capturing event data for voltage and current across all phases with the same minimum sampling rate and an accuracy of 1% for voltage. (c) Collecting continuous data on voltage and current for all phases, sampled at intervals of at least 100ms with an accuracy of 1% for voltage.
In remote microgrids, the voltage and frequency constraints are typically less stringent than in grid-connected systems. However, this flexibility may not apply if the microgrid is supplying industrial or commercial loads. For this workflow, the acceptable ranges are ±0.1 pu for rated voltage and ±0.02 pu for rated frequency in Figure 4.
Voltage and frequency deviations within acceptable limits as defined in IEEE Std 2030.8-2018 [4]
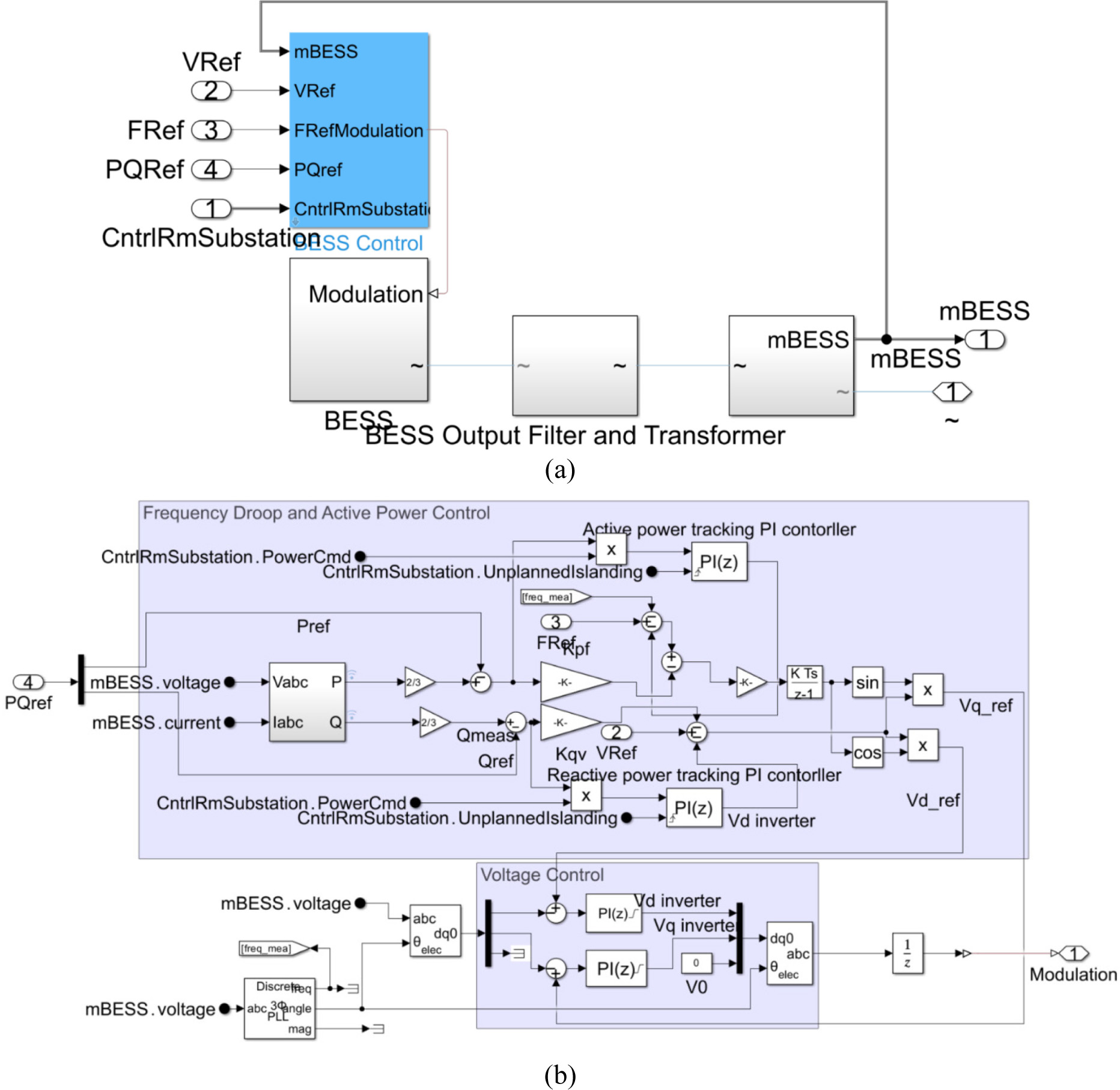
The core functions of a Battery Energy Storage System (BESS) in grid applications typically include frequency regulation, voltage stabilization, and providing emergency backup power. However, this case focuses solely on the BESS functionalities for load following, grid forming, setpoint tracking, planned diesel generator shutdown, and resynchronization with the diesel generator. In terms of hardware design, the study model employs a single AC/DC link along with an output filter. Utilizing Simscape™ and Electrical™, the model can be easily adapted to incorporate other configurations, such as designs with multiple AC/DC stages or parallel links within the conversion process in Figure 5a. The Figure 5b shows various aspects from different standards considered in this workflow.
The structure of the system in the IEEE Std 2030.2.1-2019; and various aspects from different standards considered in this workflow [5]
The Figure 6 depicts a schematic diagram of a remote microgrid. Key components of the system are shown, including:
Control Room: The central location for monitoring and managing the system.
Power Quality Monitoring: Monitored at the control room to ensure the system maintains quality.
Coordination with Diesel: Refers to the coordination of the microgrid's power generation with the diesel generators.
BESS (Battery Energy Storage System): A key element for energy storage and balancing power supply.
Setpoint and Monitoring at BESS: These parameters (Power, Voltage, Frequency) are monitored and adjusted at the BESS to ensure proper operation.
LV Load: The low-voltage load of the system, likely referring to the electrical demand on the microgrid.
MV Load: The medium-voltage load, likely referring to a larger portion of the grid's demand.
PV (Photovoltaic): Refers to the solar power generation part of the microgrid.
The microgrid controller directs the BESS by setting voltage and frequency targets [21]
Additionally, there is an indication of the Microgrid Controller, which coordinates all elements and ensures the system functions optimally. The diagram also highlights the state of certain switches, either normally open (NO) or normally closed (NC). This microgrid setup likely represents an integrated system combining renewable energy (solar), battery storage, and backup diesel generation to maintain energy supply in remote locations.
The system consists of two power generation units and one energy storage system: (a) Diesel Generator with Control Mechanism – The diesel generator produces active power and regulates voltage. (b) Photovoltaic (PV) Generation with Interfacing Converter and Control -The PV system in this setup employs a three-phase converter to deliver power at a unity power factor (UPF), bypassing the need for an intermediate DC-DC converter. (c) Battery Energy Storage System (BESS) with Control – The BESS controller receives commands and setpoints from the microgrid controller. In this model, the BESS includes features for accepting references and commands from the operator, managing the converter to follow the reference values, and switching between control modes as required.
There are two loads: (a) An MV load that connects to the medium voltage line, (b) An LV load that connects secondary substation.
The microgrid model incorporates two distinct load types to simulate real-world energy consumption patterns and evaluate system performance. The first is the medium voltage (MV) load (a), which is directly connected to the MV distribution line. This load typically represents industrial facilities, large commercial buildings, or critical infrastructure that require significant power demand and operate at higher voltage levels to minimize transmission losses. The second is the low voltage (LV) load (b), which is connected through a secondary substation.
This load category includes residential consumers, small businesses, and distributed loads that operate at lower voltage levels, ensuring safe and efficient power delivery. The secondary substation steps down the voltage from the MV level to the LV level, allowing reliable energy distribution while maintaining voltage stability. The presence of both MV and LV loads in the microgrid model enables a comprehensive analysis of power flow, voltage regulation, and load balancing, ensuring the system's capability to handle diverse consumer demands under different operating conditions.
The substation serves as the interface between the diesel generator and the microgrid at the Point of Common Coupling (PCC). It contains both the diesel generator and the Battery Energy Storage System (BESS), which are connected to the PCC through suitable transformers and circuit breakers. Additionally, the microgrid controller is incorporated into the substation.
The substation is equipped with two medium-voltage (MV) feeders that distribute power to various microgrid components. These feeders are interconnected at a remote location via a normally open switch. Feeder 1 is responsible for supplying power to the medium-voltage load and the photovoltaic (PV) system, while Feeder 2 delivers electricity to the low-voltage (LV) load through a secondary substation.
The microgrid controller oversees the operation of microgrid assets as well as the entire network. Comprehensive system monitoring is conducted in the control room, where all data measurements are collected. The operator room processes this information and dispatches commands to the respective assets within the microgrid.
The microgrid controller oversees the operation of the microgrid and performs various essential functions. It provides the BESS with specific voltage and frequency setpoints for effective management. In this model, the microgrid controller includes the following functionalities: (a) Generation of reference frequency, (b) Generation of reference voltage, (c) Control of breakers, (d) Generation of active and reactive power references, (e) Planned shutdown or islanding of the diesel generator, and (f) Start-up and resynchronization of the diesel generator.
The proposed model for a remote microgrid provides a comprehensive framework for sustainable and reliable energy management in isolated areas. The model overview includes key components such as renewable energy sources (solar, wind), diesel generators, battery energy storage systems (BESS), and a microgrid controller. The storage system plays a crucial role in balancing power supply and demand, ensuring stability during fluctuations. The microgrid controller integrates real-time monitoring and control functions to optimize energy distribution, improve efficiency, and enhance system resilience under varying operating conditions.
The Diesel Substation, in collaboration with the Battery Energy Storage System (BESS) and the Microgrid Controller subsystem, connects the diesel generator model to the microgrid framework at the Point of Common Coupling (PCC). This arrangement features both the diesel generator and BESS models, integrated at the PCC through suitable transformers and circuit breakers[22]. Furthermore, the microgrid controller model is implemented within the substation, as illustrated in Figure 7.
The remote microgrid controller model in MATLAB/Simulink®(R2023b)
The workflow comprises the following main elements: (a) The Battery Energy Storage System (BESS) serves as the energy storage unit for the remote microgrid, (b) The Diesel Substation, working alongside the BESS and the Microgrid Controller, connects the diesel generator to the microgrid, and (c) The Operator Control Room subsystem collects all setpoints and measurement data.
The Battery Energy Storage System (BESS) consists of battery modules, a grid-side converter, a filter, and various measurement and control components, as shown in Figure 8a. The BESS converter connects the batteries to the grid, managing power flow while regulating voltage and frequency based on reference values from the microgrid controller. The BESS Output Filter and Transformer subsystem models the filter and transformer [23], [24] while the BESS Converter Measurement subsystem monitors output power, voltage, and current. The control system's implementation is illustrated in Figure 8b.
The BESS and its controller in MATLAB/Simulink® (R2023b) (a); and the BESS module and its BESS converter in MATLAB/Simulink® (R2023b) (b)
The Diesel Substation, BESS, and Microgrid Controller subsystem connects the diesel generator to the microgrid through the transformer and disconnecting devices and measurements at the Point of Common Coupling (PCC) are represented in the PCC Measurement and PCC Breaker subsystem. The BESS and Controller subsystem, which includes all previously discussed BESS components, is connected at the PCC, as shown in Figure 9.
The model of Diesel Substation – BESS - Microgrid Controller in MATLAB/Simulink®(R2023b)
The Microgrid Controller subsystem includes a Phase-Locked Loop (PLL), microgrid control functions, supervisory control, breaker control, and reference generation, as shown in Figure 10a. The supervisory control, implemented using Stateflow™, manages key transitions such as planned islanding, unplanned islanding, resynchronization, and black start. The model specifically demonstrates these transition processes [14] with atomic charts defining dispatch tasks, as shown in Figure 10b.
The Microgrid Controller in MATLAB/Simulink® (R2023b) (a); and the Microgrid supervisory control executes the transition and dispatch functions using Stateflow™ in MATLAB/Simulink® (R2023b) (b)
The Operator Control Room subsystem consolidates all setpoints and commands, as well as collects the measured data and analyses the system's performance, as illustrated in Figure 11.
The Operator Control Room in MATLAB/Simulink®(R2023b)
The simulation results provide valuable insights into the system's performance under various operating conditions. Key system parameters, such as voltage levels, power flow, and frequency stability, were analysed to evaluate the effectiveness of the proposed control strategy. The simulation results demonstrate improved power quality, stable operation during load fluctuations, and efficient energy management. These findings validate the model's ability to enhance system reliability and optimize resource utilization.
To evaluate various microgrid operations, controller functions, and system behaviour, different scenarios are simulated and compared against established performance standards. In this study, five scenarios are simulated: (a) Case 1: Assessing feeder switching at the secondary substation, (b) Case 2: Analysing BESS load pickup following a diesel trip, (c) Case 3: Simulating planned diesel shutdown/islanding under low load conditions, (d) Case 4: Testing diesel start up and resynchronization, and (e) Case 5: Simulating a fault at the diesel generator. To initialize the BESS, diesel, and PV system parameters for each scenario, the corresponding commands must be executed in the MATLAB Command Window, as specified in the APPENDIX (System parameters).
The simulation results for each scenario are shown in the following figures: (a) Voltage and current outputs from the BESS, (b) Active and reactive power outputs from the BESS, PV system, load, and diesel generator, (c) Voltage, current, and power consumption at the MV and LV loads, (d) RMS voltage and current at the loads, and (e) Voltage, frequency, and phase alignment during the planned shutdown and resynchronization of the diesel generator (applicable only to Case 3 and Case 4).
Figure 12a presents the three-phase voltage and current outputs from the BESS, along with the current from the diesel generator. At 3 seconds, the upper feeder is disconnected, and the lower feeder is connected to the LV load. At 6 seconds, part of the LV load is disconnected.
Remote microgrid BESS I-V (a); Remote microgrid P-Q (b)
The steady voltage and current outputs from the BESS demonstrate the effectiveness of the control strategies during this process. Figure 12b depicts the active and reactive power of the BESS, diesel generator, PV system, and loads in the case 1, the reliable active and reactive power outputs validate the efficiency of the control methods and highlight the overall performance of the microgrid.
At 3 seconds, the diesel generator is disconnected, and the Battery Energy Storage System (BESS) takes over to meet the increased power demand. By 6 seconds, a portion of the LV load is disconnected. Figure 13a presents the voltage and current waveforms from the BESS across all three phases, alongside the current from the diesel generator during the trip and the disconnection of the LV load. The consistent voltage and current from the BESS indicate the effective performance of the microgrid control during the diesel generator's trip. The BESS maintains grid stability and manages the load change at the 6-second mark. The Figure 13b shows the active and reactive power outputs from the BESS, PV system, diesel generator, and loads in the case 2, the stable output of both active and reactive power underscores the system's operational efficiency. After the diesel generator trips at 3 seconds, its power output drops to zero, and the BESS compensates for the additional demand.
Remote microgrid BESS V-I (a); Remote microgrid P-Q (b)
The efficiency of the diesel generator is low during light load conditions, and when other energy sources, like the BESS, are available, it is preferable to disconnect the diesel unit. At 3 seconds, the planned shutdown of the diesel begins, and by approximately 7.3 seconds, the diesel unit reaches zero power output. Figure 14a illustrates the three-phase voltage and current outputs from the BESS, along with the diesel current during the planned shutdown/islanding of the diesel generator due to low load conditions. The stable voltage and current outputs from the BESS confirm a smooth transition as the load is transferred after the diesel unit trips.
Remote microgrid BESS V-I (a); Remote microgrid P-Q (b); Remote microgrid Frequency-Angle (c)
Figure 14b illustrates the active and reactive power associated with the BESS, PV system, diesel generator, and loads in the case 3, the consistent active and reactive power outputs confirm the success of the control strategy.
Figure 14c displays the planned islanding command for the diesel generator, the islanding status, and the breaker (BRK) status. The islanding and BRK status signals are active when the power output from the diesel unit is zero. When connected, the voltage, frequency, and phase between the microgrid and the diesel generator stay synchronized. Any change in voltage, frequency, or phase indicates the necessary control actions to achieve zero power output from the diesel generator.
Figure 15a shows the three-phase voltage and current outputs from the BESS, along with the grid current during the start-up of the diesel generator and its resynchronization. The figure also displays the measured values around the resynchronization command at 3.0 seconds, with the actual resynchronization occurring at approximately 7.7 seconds. The BESS demonstrates stable voltage and current outputs, reflecting effective control during the process. Figure 15b depicts the active and reactive power levels of the BESS, PV system, diesel generator, and loads in the case 4, the steady active and reactive power outputs validate the successful resynchronization with the diesel generator.
Remote microgrid BESS V-I (a); Remote microgrid P-Q (b); Remote microgrid BESS V-I (c)
Figure 15c displays the resynchronization command and the matching of voltage, frequency, and phase between the microgrid and the diesel generator. Although the steady-state island voltage remains within the acceptable range, the overshoot during the resynchronization command exceeds the limit (as seen in the fourth plot). To mitigate large overshoots, the microgrid response can be fine-tuned by adjusting the resynchronization controller.
Figure 16a illustrates the three-phase voltage and current outputs from the BESS and the grid current during the diesel generator's start-up and resynchronization. The figure also highlights the measured values around the fault event at 3.0 seconds. The stable voltage and current outputs from the BESS following the unplanned islanding confirm effective control throughout the process. Figure 16b shows the active and reactive power from the BESS, PV system, diesel generator, and loads. The consistent active and reactive power outputs after the unplanned islanding further validate the effectiveness of the microgrid control during the islanding event.
Remote microgrid BESS V-I (a); Remote microgrid P-Q (b)
This section presents the system performance results, system design outcomes, and the reduction in diesel consumption. The performance indices include: (a) Maximum and minimum voltage and frequency deviations for the four cases, (b) Transient overshoot and steady-state deviation in voltage and frequency for both single-feeder and double-feeder configurations of the microgrid, and (c) Diesel consumption reduction with increasing BESS capacity.
Figure 17 shows the variations in voltage and frequency for all four scenarios. The voltage and frequency remain within acceptable limits in all scenarios, confirming the effectiveness of the microgrid control approach in this study. Figure 17a also shows the total harmonic distortion (THD) of the load voltage and PCC voltage, along with the maximum and minimum values of the load voltage and monitoring these parameters helps ensure that power quality is maintained during microgrid operation. In this case, the THD and load voltage deviation are constrained to 3% and 0.1 p.u., respectively.
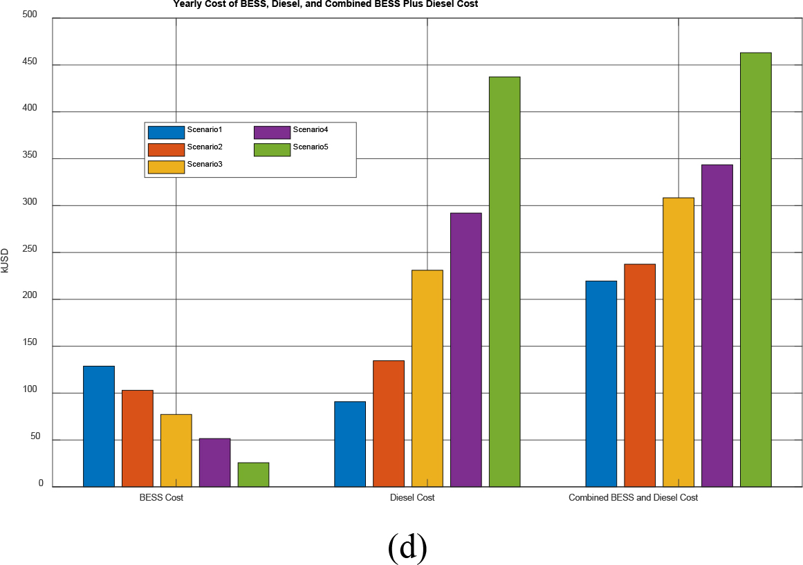
Remote microgrid Loss (a); Remote microgrid THD Load (b); Remote microgrid Diesel Cost in Hours (c); Remote microgrid Diesel Cost in yearly (d)
Figure 17b confirms that the THD and load voltage variations remain within the specified limits across all cases.
To analyse how the size of the BESS affects diesel costs, Figure 17c and Figure 17d depict the assumed diesel generator load over 24 hours and the corresponding diesel costs for various diesel-to-BESS rating ratios. Figure 17c shows the assumed diesel load throughout the day, while Figure 17d illustrates the required diesel rating, diesel consumption, and associated costs.
The simulation results for various operational scenarios in the remote microgrid highlight the effectiveness and reliability of the control strategies used to manage the system's components, including the Battery Energy Storage System (BESS), diesel generator, and photovoltaic (PV) system. Each case study demonstrates the microgrid's ability to maintain stable operation during various events, including feeder switching, diesel generator failures, planned shutdowns, and fault conditions.
In Case 1, the microgrid effectively handled feeder switching and load disconnections, with the BESS providing steady voltage and current outputs, validating the performance of the control strategy. Case 2 demonstrated the BESS's capability to quickly assume control and maintain system stability following a diesel generator trip, ensuring continuous power delivery despite the increased demand. Case 3 showcased the successful planned shutdown of the diesel generator during low load conditions, with the BESS smoothly taking over the power supply while maintaining stable voltage and current at the load points. Similarly, in Case 4, the diesel generator was successfully started and resynchronized, with the microgrid maintaining stable active and reactive power outputs, confirming the effectiveness of the resynchronization process, though adjustments to the controller may be needed to mitigate overshoot. Finally, Case 5 simulated a fault at the diesel generator, where the BESS successfully handled the unplanned islanding scenario, ensuring stable voltage and current throughout the event. The system's resilience was further validated by stable active and reactive power outputs and the absence of significant disturbances at the load points.
The system's overall performance in maintaining voltage, frequency, and power quality under varying conditions was consistently within acceptable limits, confirming the robustness of the control strategies implemented. Additionally, the reduction in diesel consumption with increasing BESS capacity demonstrates the potential for cost savings and enhanced sustainability. The analysis of the diesel-to-BESS ratio further emphasizes the economic advantages of integrating larger BESS capacities, reducing reliance on diesel generators and associated operational costs. This study underscores the potential of remote microgrids to provide reliable, cost-effective, and sustainable energy solutions in off-grid and isolated areas.
As the microgrid technology continues to evolve, further improvements to control algorithms and system scalability will be crucial for enhancing energy management and supporting larger, more diverse applications. Ultimately, the successful integration of renewable energy, energy storage, and backup generation systems will play a significant role in promoting energy independence, reliability, and sustainability in remote communities.
- ,
‘IEEE Recommended Practice for the Planning and Design of the Microgrid’ , , https://doi.org/10.1109/ieeestd.2019.8746836, IEEE Std 2030.9-2019, Mar. 21 2019 - ,
‘Microgrids - Part 1: Guidelines for microgrid projects planning and specification’ ,IEC , 2017https://webstore.iec.ch/en/publication/28363, IEC TS 62898-1:2017, Accessed: Feb. 04, 2025. [Online]. Available: - ,
‘IEEE Standard for the Specification of Microgrid Controllers’ , , https://doi.org/10.1109/ieeestd.2018.8340204, IEEE Std 2030.7-2017, Dec. 06, 2017, IEEE, Piscataway, NJ, USA. - ,
‘IEEE Standard for the Testing of Microgrid Controllers’ , , https://doi.org/10.1109/IEEESTD.2018.8444947, IEEE Std 2030.8-2018, Jun. 14, 2018 - ,
‘IEEE Guide for Design, Operation, and Maintenance of Battery Energy Storage Systems, both Stationary and Mobile, and Applications Integrated with Electric Power Systems’ , , https://doi.org/10.1109/ieeestd.2019.8930450, IEEE Std 2030.2.1-2019, Sep. 05, 2019 - ,
‘Energy Management Strategies for Smart Green MicroGrid Systems: A Systematic Literature Review’ ,Journal of Electrical and Computer Engineering , Vol. 2021 , :1-21, https://doi.org/10.1155/2021/6675975, Feb. 2021 - ,
‘Flexible hybrid renewable energy system design for a typical remote village located in tropical climate’ ,J Clean Prod , Vol. 177 , :908-924, https://doi.org/10.1016/j.jclepro.2017.12.248, Mar. 2018 - ,
‘Distributed Optimal Energy Management in Microgrids’ ,IEEE Trans Smart Grid , Vol. 6 (3), :1137-1146, https://doi.org/10.1109/tsg.2014.2373150, May 2015 - ,
‘Intelligent energy management control for independent microgrid’ ,Sādhanā , Vol. 41 (7), :755-769, https://doi.org/10.1007/s12046-016-0515-6, Jul. 2016 - ,
‘A literature review on dynamic pricing of electricity’ ,Journal of the Operational Research Society , Vol. 68 (10), :1131-1145, https://doi.org/10.1057/s41274-016-0149-4, Oct. 2017 - ,
‘Review on smart grid control and reliability in presence of renewable energies: Challenges and prospects’ ,Math Comput Simul , Vol. 167 , :19-31, https://doi.org/10.1016/j.matcom.2018.11.009, Jan. 2020 - ,
‘Joint Investment and Operation of Microgrid’ ,IEEE Trans Smart Grid , 1-132015, https://doi.org/10.1109/TSG.2015.2501818 - ,
‘Coordinated Optimal Dispatch of Energy Storage in a Network of Grid-Connected Microgrids’ ,IEEE Trans Sustain Energy , Vol. 8 (3), :1166-1176, https://doi.org/10.1109/TSTE.2017.2664666, Jul. 2017 - ,
‘Operations of a microgrid with renewable energy integration and line switching’ ,Energy Systems , Vol. 10 (2), :247-272, https://doi.org/10.1007/s12667-018-0286-8, May 2019 - ,
‘Multi-objective optimal operation in a micro-grid considering economic and environmental goals’ ,Evolving Systems , Vol. 10 (2), :239-248, https://doi.org/10.1007/s12530-018-9219-y, Jun. 2019 - ,
‘Evaluation of performance improvement by model predictive control in a renewable energy system with hydrogen storage’ ,Int J Hydrogen Energy , Vol. 43 (45), :21017-21029, https://doi.org/10.1016/j.ijhydene.2018.09.118, Nov. 2018 - ,
‘Multi-agent based operational cost and inconvenience optimization of PV-based microgrid’ ,Solar Energy , Vol. 150 , :177-191, https://doi.org/10.1016/j.solener.2017.04.019, Jul. 2017 - ,
‘Techno-economic optimization based approach for energy management of a stand-alone integrated renewable energy system for remote areas of India’ ,Energy , Vol. 94 , :138-156, https://doi.org/10.1016/j.energy.2015.10.136, Jan. 2016 - ,
‘Discrete cogeneration optimization with storage capacity decision support for dynamic hybrid solar combined heat and power systems in isolated rural villages’ ,Energy , Vol. 116 , :1051-1064, https://doi.org/10.1016/j.energy.2016.10.026, Dec. 2016 - ,
‘IEEE Standard for Interconnecting Distributed Resources with Electric Power Systems’ ,Jun. , Vol. 12 , 1547—20032003, https://doi.org/10.1109/ieeestd.2003.94285, IEEE Std. - ,
‘Microgrids: Architectures and Control’ ,Wiley , 2014 - ,
‘Design and application of microgrid operation control system based on IEC 61850’ ,Journal of Modern Power Systems and Clean Energy , Vol. 2 (3), :256-263, https://doi.org/10.1007/s40565-014-0074-y, Sep. 2014 - ,
‘Real-Time Energy Storage Management for Renewable Integration in Microgrid: An Off-Line Optimization Approach’ ,IEEE Trans Smart Grid , Vol. 6 (1), :124-134, https://doi.org/10.1109/tsg.2014.2359004, Jan. 2015 - ,
‘A new combined control algorithm for PV-CHP hybrid systems’ ,Appl Energy , Vol. 210 , :964-973, https://doi.org/10.1016/j.apenergy.2017.06.047, Jan. 2018

